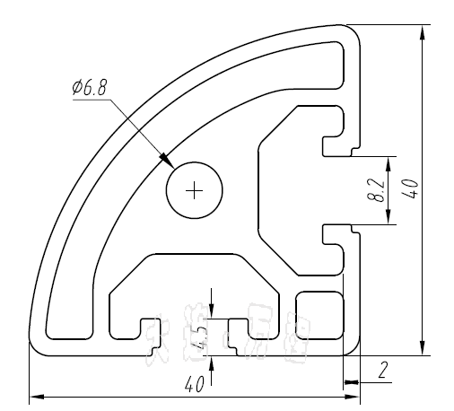
歐標4040R鋁型材 半圓型材 壁厚2 米重1.67
所屬分類:40系列鋁型材 產地:中國.遼寧.大連地址:暫無
電話:0411-********
微信:15524700779
手機:15524700779
在線咨詢: 立即在線溝通
郵箱:1149966441@qq.com
網址: www.haicao33.com

訂單編號:WA40-4040-2-R-L(1000)
型材槽數:2 槽
型材槽寬:8.2 mm
集合慣性:Lx = 8.62 cm4; Ly = 8.62 cm4;
截面慣性:Zx = 4.31 cm3; Zy =4.31 cm3;
單位重量:1.67 kg/m;
每根總長:6.02 m(可根據用戶要求裁切);
材料材質:6063-T5 鋁合金
表面處理:平光氧化、銀白陽極氧化。